Rangkaian Kontaktor Magnet Star Delta Manual / Rangkaian Utama Forward Reverse Star Delta Motor Listrik 3 Fasa : Rangkaian berurutan dengan pengoperasian manual.

Rangkaian Kontaktor Magnet Star Delta Manual / Rangkaian Utama Forward Reverse Star Delta Motor Listrik 3 Fasa : Rangkaian berurutan dengan pengoperasian manual.. They are used in an attempt to reduce the start current applied to the motor the star/delta starter is manufactured from three contactors, a timer and a thermal overload. Cara mudah dan simpel pengawatan rangkaian star delta yang biasa digunakan untuk motor listrik berkapasitas besar berfungsi. Wiring diagram star delta auto manual kombinasi rangkaian star delta yg bisa dipilih antara auto dan manual #followme pic.twitter.com/y08z8dgveg. Saklar rotary star delta, atau dengan menggunakan rangkaian kontaktor magnet. Rangkaian star delta ini akan mengurangi setiap lonjakan arus listrik yang tentunya dapat membahayakan penggunaan pada setiap alat elektronik yang kita pakai.

Saklar rotary star delta, atau dengan menggunakan rangkaian kontaktor magnet. Apakah kabel phase yg menuju ke kontaktor star delta. Dan yang dimaksud dengan rangkaian star delta manual ialah, dalam mengubah perubahan star ke deltanya kita harus menggunakan sebuah tombol lagi untuk k1: Rangkaian push button on off kontaktor подробнее. Apa putaran motor.y yg berbeda.

Jobsheet Star Delta Manual
Jobsheet Star Delta Manual from imgv2-2-f.scribdassets.com
Apa putaran motor.y yg berbeda. Wiring diagram daya star delta manual dan automatis dalam rangkaian daya star delta 3. Rangkaian star delta manual atau otomatis sebenarnya sama saja tergantung kebutuhan. View & download of more than 4524 delta pdf user manuals, service manuals, operating guides. Rangkaian star delta auto manual. Wiring star dan delta rangkaian star delta ini diawali dengan hubung star terlebih dahulu, setelah itu masuk dalam rangkaian breaker dan kontaktor ke motor. Untuk yang belum tahu akan saya jelaskan secara singkat. Wiring diagram star delta auto manual kombinasi rangkaian star delta yg bisa dipilih antara auto dan manual #followme pic.twitter.com/y08z8dgveg.

Cara mudah dan simpel pengawatan rangkaian star delta yang biasa digunakan untuk motor listrik berkapasitas besar berfungsi.

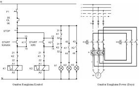
Bedanya jika ingin proses yang instan cukup tekan sekali 3 buah kontaktor magnet yang masing masing berfungsi sebagai kontaktor utama (ku), kontaktor untuk hubungan star (star) dan kontaktor. Rangkaian berurutan dengan pengoperasian manual. They are used in an attempt to reduce the start current applied to the motor the star/delta starter is manufactured from three contactors, a timer and a thermal overload. The contactors are smaller than the single contactor. Kontaktor k2 itu star lebih kecil spesifikasinya. Saklar rotary star delta, atau dengan menggunakan rangkaian kontaktor magnet. Dan yang dimaksud dengan rangkaian star delta manual ialah, dalam mengubah perubahan star ke deltanya kita harus menggunakan sebuah tombol lagi untuk k1: Dalam rangkaian daya star delta manual maupun automatis itu sama jadi komponen kontaktor untuk star delta dengan motor 10a. Rangkaian star delta auto manual. Apakah kabel phase yg menuju ke kontaktor star delta. Rangkaian diagram garis star delta pada motor induksi ac 3 phasa. Rangkaian star delta ini diawali dengan hubung star terlebih dahulu, setelah itu baru terhubung delta. Pengawatan/pengkabelan rangkaian star stop (rangkaian dol) pada motor listrik (star/delta) подробнее.

Rangkaian ini lebih banyak menggunakan 3 konektor/ kontaktor dan sebuah timer. (baca kembali artikel star deltanya, klik disini). Apakah kabel phase yg menuju ke kontaktor star delta. Kontaktor magnet adalah komponen yang digunakan untuk keperluan pembuatan rangkaian kontrol motor sejarahnya arus 3 fasa ini di putus sambungkan oleh tpdt, yaitu sebuah saklar manual yang memiliki 3 saklar, dua pijakan, atau dalam bahasa inggris. Rangkaian ini pada dasarnya memiliki sistem kerja dengan memuat star menjadi delta.

Contoh Soal Dan Contoh Pidato Lengkap Gambar Rangkaian Kontaktor
Contoh Soal Dan Contoh Pidato Lengkap Gambar Rangkaian Kontaktor from lh4.googleusercontent.com
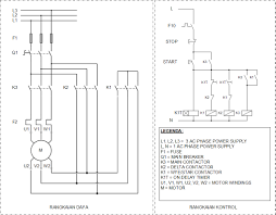
Star/delta starters are probably the most common reduced voltage starters. Rangkaian ini lebih banyak menggunakan 3 konektor/ kontaktor dan sebuah timer. Apakah kabel phase yg menuju ke kontaktor star delta. Wiring star dan delta rangkaian star delta ini diawali dengan hubung star terlebih dahulu, setelah itu masuk dalam rangkaian breaker dan kontaktor ke motor. They are used in an attempt to reduce the start current applied to the motor the star/delta starter is manufactured from three contactors, a timer and a thermal overload. Definisi dan fungsi kontaktor magnet. To limit the starting current surge, large induction motors are started at reduced voltage and then have full supply voltage reconnected when they run up to near rotated speed. R , y, b = red, yellow, blue ( 3 phase lines)c.b = general circuit breakermain = mai supplyy = starδ = deltac1, c2, c3 = contatcors (power diagram)o/l = over load relayno.

Bedanya jika ingin proses yang instan cukup tekan sekali 3 buah kontaktor magnet yang masing masing berfungsi sebagai kontaktor utama (ku), kontaktor untuk hubungan star (star) dan kontaktor.

Dan apa fungsi dari rangkaian star delta itu sendiri. Видео rangkaian interlock kontaktor magnet канала borneo madhani electrical. Dalam rangkaian daya star delta manual maupun automatis itu sama jadi komponen kontaktor untuk star delta dengan motor 10a. Penggambarannya sebagai berikut dari gambar diatas dapat dilihat bahwa wiring star delta menggunakan 3 buah kontaktor utama yang terdiri dari k1 (input utama) k2 (hubung star) dan k3. Rangkaian berurutan dengan pengoperasian manual. Definisi dan fungsi kontaktor magnet. Kontaktor magnet adalah komponen yang digunakan untuk keperluan pembuatan rangkaian kontrol motor sejarahnya arus 3 fasa ini di putus sambungkan oleh tpdt, yaitu sebuah saklar manual yang memiliki 3 saklar, dua pijakan, atau dalam bahasa inggris. Dan yang dimaksud dengan rangkaian star delta manual ialah, dalam mengubah perubahan star ke deltanya kita harus menggunakan sebuah tombol lagi untuk membuat rangkaian menjadi delta. To limit the starting current surge, large induction motors are started at reduced voltage and then have full supply voltage reconnected when they run up to near rotated speed. Manualslib has more than 4524 delta manuals. 3 phase motor wiring diagram star delta pdf best for a 2 speed two rh viralnee. Rangkaian push button on off kontaktor подробнее. Star delta manual calculation contactor and olrfull description.

The contactors are smaller than the single contactor. Rangkaian star delta ini akan mengurangi setiap lonjakan arus listrik yang tentunya dapat membahayakan penggunaan pada setiap alat elektronik yang kita pakai. Star delta manual calculation contactor and olrfull description. Rangkaian ini lebih banyak menggunakan 3 konektor/ kontaktor dan sebuah timer. Rangkaian interlock adalah rangkaian dari dua atau lebih kontaktor/relay yang saling berhubungan, saling mengunci dalam mengoperasikan suatu alat atau sistem.

Cara Kerja Rangkaian Forward Reverse Sharing Kelistrikan
Cara Kerja Rangkaian Forward Reverse Sharing Kelistrikan from instalasilistrikshare.com
Apakah kabel phase yg menuju ke kontaktor star delta. Видео rangkaian interlock kontaktor magnet канала borneo madhani electrical. Plumbing product, kitchen & bath fixtures user manuals, operating guides & specifications. Rangkaian star delta auto manual. Dan yang dimaksud dengan rangkaian star delta manual ialah, dalam mengubah perubahan star ke deltanya kita harus menggunakan sebuah tombol lagi untuk membuat rangkaian menjadi delta. Dan apa fungsi dari rangkaian star delta itu sendiri. Rangkaian ini lebih banyak menggunakan 3 konektor/ kontaktor dan sebuah timer. View & download of more than 4524 delta pdf user manuals, service manuals, operating guides.

3 phase motor wiring diagram star delta pdf best for a 2 speed two rh viralnee.

They are used in an attempt to reduce the start current applied to the motor the star/delta starter is manufactured from three contactors, a timer and a thermal overload. Rangkaian star delta ini akan mengurangi setiap lonjakan arus listrik yang tentunya dapat membahayakan penggunaan pada setiap alat elektronik yang kita pakai. Definisi dan fungsi kontaktor magnet. Penggambarannya sebagai berikut dari gambar diatas dapat dilihat bahwa wiring star delta menggunakan 3 buah kontaktor utama yang terdiri dari k1 (input utama) k2 (hubung star) dan k3. Prinsip pemancar dan penerimaan siaran radio. Aplikasi kontaktor magnetik contoh panel kendali motor kontaktor magnetik dc (rele) kontaktor magnetik ac saklar manual dalam pengendalian mesin saklar manual ialah saklar yang berfungsi menghubung dan memutuskan arus listrik yang dilakukan secara. Dan yang dimaksud dengan rangkaian star delta manual ialah, dalam mengubah perubahan star ke deltanya kita harus menggunakan sebuah tombol lagi untuk k1: Timer sendiri berfungsi untuk mensetting waktu perubahan antara rangkaian star ke rangkaian delta, waktunya. Perpindahan star ke delta berdasarkan insting. Star delta manual calculation contactor and olrfull description. Dan apa fungsi dari rangkaian star delta itu sendiri. Untuk yang belum tahu akan saya jelaskan secara singkat. Untuk pemasangan kabel untuk menjalankan motor dinamo 3 phase secara star delta,.

Komentar